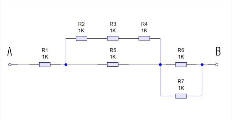
Clase 1 – Repaso Este cuestionario no tiene tiempo límite para ser resuelto, así que tomate el tiempo que necesites. Tené en cuenta que puede haber una o más repuestas correctas. /10 0 votos, 0 promedio 20 Clase 1 - Repaso 1 / 10 Tenemos el siguiente circuito con una fuente de 5V (salida de cargador de celular) y ponemos una R y un diodo LED, por el que debe circular 10mA para que ilumine correctamente. ¿Cuál debería ser el valor de la resistencia R? 2500 Ω 750 Ω 500 Ω 0 Ω 2 / 10 Mientras mayor valor tenga la resistencia... Mayor será la corriente y más intensa será la luz Menor será la corriente y más tenue será la luz Mayor será la corriente y más tenue será la luz Menor será la corriente y más intensa será la luz 3 / 10 ¿que tensión se desarrollará en la resistencia R, la que tiene el valor de 400Ω? 1 V 4 V 2,5 V Ninguno 4 / 10 ¿Que corriente circulará por la resistencia R1, de 100Ω? 500mA 5mA 50 mA 5 A 5 / 10 Cuál será el voltaje que se desarrolle sobre la resistencia de 250Ω? 0.18 V 0.72 V 1 V 1.18 V 6 / 10 ¿Qué potencia se desarrollará sobre la resistencia de 400? 4W 0,04W 0,01W 5W 7 / 10 En qué función debemos conectar el tester para medir tensión? Cómo se conecta? Función amperimetro. Conexión paralela. Función amperimetro. Conexión serie. Función voltimetro. Conexión paralela. Función voltimetro. Conexión serie. 8 / 10 Si todas las resistencias son de 330Ω, cuál es la resistencia equivalente entre los terminales positivos y negativos? 330Ω 495Ω 990Ω 1980Ω 9 / 10 Cuál es la resistencia equivalente entre A y B? colocar el resultado en Ω sin puntos, ni decimales. Comprobar 10 / 10 Cuál es la resistencia equivalente entre A y B? colocar el resultado en Ω sin puntos, ni decimales. Comprobar Tu puntación es The average score is 56% LinkedIn Facebook Twitter VKontakte 0% Reiniciar Enviar feedback